气动沟槽碟阀D681X
总机电话:4009921168
分机:销售部按1,技术部按2,售后部按3,传真按9,人工服务按0
以下产品参数、图片仅供参考,以产品实物为准。更改设计,材料,规格无须事先通知之权利。
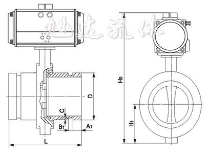
D681X气动沟槽碟阀是采用国外先进技术及本公司多次改进设计。以碳钢为主要材质,阀体采用厚壁无缝管焊接而成,阀板为球墨铸铁,质量可靠,比铸铁更为坚固耐用,外观更加美观,而且价格更优,又具备与管件连接所希求的快捷性,可广泛应用于给排水、消防、石油、化工、医药、钢铁等管路上作为截断或调节之用。
技术参数和性能
| GTD/ATD气动执行机构技术参数 | 阀 体 参 数 | ||
| 类 型 | 双作用活塞式、弹簧复位式 | 公称通径 | DN40~500mm |
| 气源压力 | 双作用:2-8bar/单作用:4-8bar | 公称压力 | PN1.0、1.6MPa |
| 输出力矩 | 双作用:4N·M~10560N·M | 阀轴材质 | 铜 碳钢 不锈钢 |
| 单作用:7N·M~2668N·M | 阀体材质 | 球墨铸铁 铜 碳钢 不锈钢 | |
| 工作温度 | 常温型:-20℃~80℃(丁腈橡胶O型圈) | 阀板材质 | 球墨铸铁 QT450 球铁、碳钢、喷涂或不锈钢 铬不锈钢、铜 |
| 高温型:-20℃~160℃(氟橡胶O型圈) | 阀座密封 | 橡胶 乙腈橡胶 乙丙橡胶 氟橡胶 聚四氟塑料 | |
| 动作范围 | 0~90°±5° | 结构形式 | 中线型 、无销型 |
| 接口螺纹 | GTD40~GTD83/ATD50~ATD88 G1/8″ | 温度 | -50℃~250℃ |
| GTD110~GTD350/ATD100~200 G1/4″ | 适用介质 | 水、水蒸汽、油品、空气 水、水蒸汽 水、水蒸汽、油品、空气 硝酸类 | |
| 阀位信号 | 定位器:4~20mA/回信器:全开全关信号 | 特点 | 用途广、整体造价低、流量大、流阻小 |
| 公称通径DN | A1 | B1 | C | D | H1 | 执行器型号 |
| 压力 | 1.0/1.6 | 1.0/1.6 | 1.0/1.6 | 1.0/1.6 | 1.0/1.6 | (仅供参考) |
| 50 | 14.5 | 9.5 | 2.2 | 57/60 | 60 | 50 |
| 65 | 14.5 | 9.5 | 2.2 | 78 | 46 | 50 |
| 80 | 14.5 | 9.5 | 2.2 | 89 | 46 | 50 |
| 100 | 16 | 9.5 | 2.2 | 108/114 | 52 | 65 |
| 125 | 16 | 9.5 | 2.2 | 133/140 | 56 | 85 |
| 150 | 16 | 9.5 | 2.2 | 159/165/168 | 56 | 85 |
| 200 | 19 | 13 | 2.5 | 219 | 60 | 95 |
| 250 | 19 | 13 | 2.5 | 273 | 68 | 110 |
| 300 | 19 | 13 | 3.3 | 325 | 78 | 125 |
| 350 | 25 | 13 | 3.3 | 377 | 78 | 160 |
| 400 | 25 | 13 | 5.5 | 426 | 102 | 160 |
1、气动执行器类型:双作用、单作用
2、介质类型、温度、压力
3、所需附件:电磁阀、定位器、信号反馈、气源处理三联件、手动机构
